第十二节 烧伤湿性医疗技术对创面水分蒸发量影响的实验研究
作者:中国中西医结合学会烧伤专业委员会 出版社:中国医药科技出版社 发行日期:2000年6月[摘要] 采用家兔深II度烧伤模型,以自然干燥及凡士林为对照,观测MEBT对烧伤创面水分蒸发量的影响。结果表明,MEBT能有效地阻止烧伤创面水分蒸发,减少体液丢失。早期利于烧伤的休克复苏,液化期可以防止高张性脱水,修复期则为烧伤创面的再生修复提供了近似于生理的环境。
[关键词] MEBT 烧伤创面 蒸发
由于烧伤创面不显性失水造成的体液丢失,是导致烧伤休克发生与发展的重要因素之一。本实验通过对家兔相同烧伤深度、不同治疗方法的创面蒸发量进行连续观测,研究湿润暴露疗法(MEBT)对烧伤创面水分蒸发量的影响规律及意义。
材 料 与 设 计
1. 本实验是在第十节的基础上进一步设计而完成的。所用器材、动物烧伤模型的制作及实验环境条件均同第十节。
2. 实验共制作家兔深Ⅱ度烧伤创面84处,随机抽取34处采用MEBT治疗(湿疗组),再抽取34处暴露自然干燥(对照组),其余16处创面涂凡士林(凡士林组)。具体方法为:湿疗组严格按MEBT的用药原则治疗,涂药厚度为1mm。早期及修复期6~8h换药一次,液化期4h换药一次,做到创面始终有药物供给;对照组伤后暴露自然干燥;凡士林组涂药厚度及时间间隔同湿疗组。
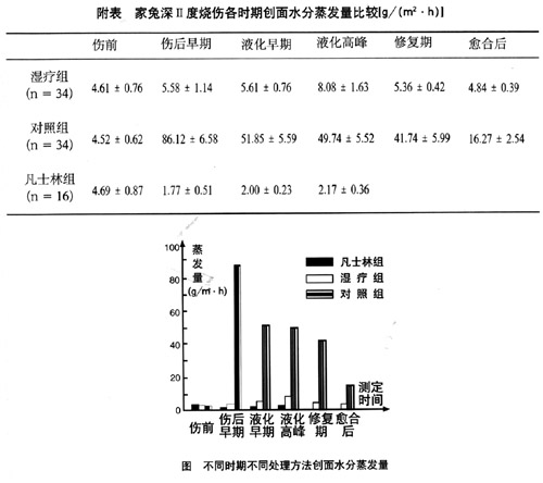
3. 以湿疗组创面变化为基准,将蒸发量测定的时相点设定为伤前、伤后早期(伤后8h内)、液化早期、液化高峰期、修复期及愈合后。数据测取均要求在涂药后2~3h药物温化并均匀覆盖创面时进行。
实 验 结 果
烧伤后,对照组创面水分蒸发量大幅度增加,可达正常皮肤的19倍,伤后6~8h以后呈逐渐下降趋势,直至创面愈合以后其水分蒸发量始终未降到伤前正常皮肤的水平。湿疗组创面水分蒸发量在伤后也立即增高,但明显低于对照组,在早期约为对照组的1/16;此后,随液化反应的加强,其创面水分蒸发量也随之上升,液化高峰时其蒸发量也达高峰,而后逐渐下降;修复期蒸发量与受伤早期无明显差异(P>0.05);创面愈合后水分蒸发量基本恢复至伤前正常皮肤的水平。凡士林组的创面水分蒸发量则始终维持在一个比较恒定的低水平上;进入修复期后,由于大部分创面发生感染,蒸发量未进一步监测。见附表。

讨 论
皮肤是人体或动物体最大、最重要的是器官之一,是机体重要的保护膜,一旦发生烧伤,这种保护膜的功能遭到破坏,其阻止体内水分蒸发功能也随之丧失。本实验从创面体液丢失的角度对MEBT进行研究,结果表明,MEBT对烧伤创面水分蒸发量的影响在整个创面修复过程中不但存在一定的规律,而且各有其特殊的意义。
1.早期 烧伤早期创面一个非常重要的病理变化是毛细血管壁通透性增高,使含丰富蛋白质及电解质的体液大量丢失,有效循环血量下降,引起休克。
毛细血管通透性增高渗出的体液,一部分进入到细胞间隙(第三间隙),造成组织水肿;另一部分则从创面以渗出和不显性水分蒸发的形式丢失。目前尚没有更好的方法来阻止烧伤后毛细血管的渗出。因此,如果能有效地阻止由创面引起的体液丢失,对减轻烧伤休克程度、降低休克发生率也具有十分重要的意义。
从本实验获得的数据来看,MEBO与凡士林均能有效地阻止创面水分蒸发,MEBO阻止创面水分蒸发的能力与正常皮肤非常接近,在早期为正常皮肤的1.19倍;而凡士林这一作用则显得“过强”,数据显示其阻止创面水分蒸发的能力超过正常皮肤;自然干燥组创面水分蒸发量最大,在早期为正常皮肤的19.05倍,是湿疗组的15.72倍。
如果单纯从防止体液丢失这个角度看,烧伤创面涂凡士林或应用MEBO都能明显减少创面体液丢失。但已有实验表明,不论是对照组的“干燥”,还是凡士林所造成的“过湿”,都对创面造成了严重损伤。由此看来,烧伤早期应用MEBO,一方面可以有效地阻止创面水分蒸发,减少体液丢失,降低烧伤休克的发生率,利于休克复苏;另一方面可以有效地保护创面“瘀滞带”组织,防止创面发生进行性损伤。
2.液化期 所谓液化期是指烧伤创面坏死组织在MEBO的作用下,以由表及里的液化方式排除创面开始,至创面坏死组织排尽所经历的时间,为MEBT所特有。本实验湿疗组34个创面,液化开始及液化结束的平均时间分别为2.59天、11.35天,以此为标准,对凡士林组及对照组创面伤后3天至11天水分蒸发量也做相应的观测统计。结果:对照组创面水分蒸量随时间的推移逐渐下降;而凡士林组创面水分蒸发量与伤后早期相比无明显变化(P>0.05);湿疗组随创面坏死组织液化速度加快,水分蒸发量增高,液化高峰时其蒸发量也达最高水平,与烧伤早期相比增加47%,为正常皮肤的1.75倍,但与对照组相比仍低得多,在液化高峰期仅为对照组的1/6。实验中我们还发现,如果创面上MEBO已被耗尽而又没有及时补充涂药,创面水分蒸发量会大幅度上升,造成创面干燥损伤,且这种“半干不湿”的创面则更易发生感染。
液化期发生上述现象的机制为:MEBO为单软膏,在未发生治疗作用以前亲脂性强,使其能与烧伤组织紧密结合,从而有效地阻止创面水分蒸发。当MEBO与创面坏死组织发生作用以后,形成了水溶性的“液化物”,亲脂性消失,对创面不再具有保护作用。MEBO这种性质的变化具有非常重要的意义:一方面,亲脂性利于药物与创面坏死组织、创面渗出物、分泌物及代谢产物等发生化学作用;另一方面,亲脂性消失使形成的“液化物”自动离开创面,实现了创面自动引流的通畅。虽然随液化反应的增强,创面水分蒸发量也有所上升,但只要及时清除液化物,做到创面不缺药,完全可以使机体在正常饮食状态下生活,而不需要每天另外补充更多的水分。这在临床上对防止烧伤后期高渗性脱水及电解质紊乱非常有意义。
3.修复期 修复期是烧伤创面修复的关键时期。湿疗组随创面液化物减少及上皮的生长,水分蒸发量逐渐下降至烧伤早期水平,两者对比无明显差异(P>0.05)。湿疗组水分蒸发量的减少利于创面保持湿润,创面不发生浸渍,说明MEBO具有良好的“透气性”,这一时期就靠MEBO的“保水性”与“透气性”的对立统一,来实现烧伤创面在生理环境下的再生与修复。
对照组创面被厚厚的干痂覆盖,收缩明显;创面水分蒸发量进一步减少,但与同一时期的湿疗组蒸发量相比仍高得多,约为湿疗法的7.78倍。这就是临床上导致大面积烧伤休克期后高渗性脱水的主要原因之一。
凡士林组由于创面大部分发生感染,进入修复期未进一步监测。
创面愈合后,湿疗组水分蒸发量基本恢复到伤前水平,对比无明显差异(P>0.05)。而对照组水分蒸发量仍比伤前正常皮肤高得多,约为正常皮肤的3.60倍。我们认为与下列因素有关:①兔的皮肤汗腺少,正常皮肤的水分蒸发量与其组织结构关系较密切,而受汗腺干扰小;②湿疗组愈合后皮肤结构比较完整,瘢痕组织少,而且刚愈合的创面组织中皮脂腺增生、功能活跃、毛细血管增生少;对照组上皮化愈合,增生的瘢痕组织中毛细血管增生明显,无皮肤的附属器再生。
(蒲志彪 等)









